大東海泵業無錫有限公司是一家專業的潛水排污泵生產廠家。在客戶潛水排污泵選型時,我公司水泵廠家會提供完善的潛水排污泵型號、潛水排污泵價格等售前服務,以供客戶參考,并且我水泵廠家能為客戶提供定制泵業產品的服務。本條產品資訊是關于潛水排污泵如何室外安裝(閥門設于污水井外)的知識:

問:貴公司前面講了潛水排污泵室外安裝(閥門設于污水井內)的安裝方法,那么現在將閥門安裝在污水井外應該怎么安裝?
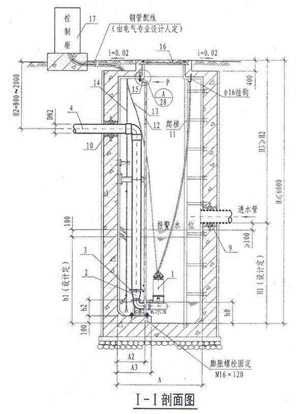
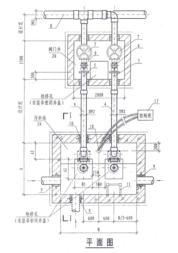
答:潛水排污泵室外安裝(閥門設于污水井外)可以參照下面的方法進行:

說明:1.本圖潛水排污泵采用液位自動控制。兩臺泵輪換工作,互為備用。h1為開泵水位,h0為停泵水位,當水位高出報警水位100mm時備用
排污泵自投。
2.本圖設計材料表,安裝尺寸表詳見附表。
3.防水套管制作安裝詳見國標02S404.
4.潛水排污泵控制柜安裝位置由單項工程設計考慮,其型號規格可由泵廠配套供應。池外電線電纜應穿管敷設。
5.污水池(集水坑)進水管數量,位置,管徑及標高由單項工程設計確定。
6.節點A按到貨尺寸下料安裝。
7.若排污泵自耦安裝對污水池(集水坑)池(坑)底無局部抬高要求,污水池(集水坑)底部可做平,相應控制尺寸應減少100mm。
非常感謝您對大東海泵業無錫有限公司官方網站的訪問!以上是關于
潛水排污泵如何室外安裝(閥門設于污水井外)的介紹,如您對此問題還想深一步了解,或有其他泵業產品、水泵選型、水泵型號、水泵價格的問題需要解答,請聯系本水泵廠家,大東海泵業還生產
潛水泵,隨時歡迎您的咨詢。謝謝!