大東海泵業無錫有限公司是一家專業的ISG立式管道泵生產廠家。在客戶ISG立式管道泵選型時,我公司水泵廠家會提供完善的ISG立式管道泵型號、ISG立式管道泵價格等售前服務,以供客戶參考,并且我水泵廠家能為客戶提供定制泵業產品的服務。本條產品資訊是關于ISG立式管道泵型號80-350外形尺寸|重量|參數的知識:
ISG立式管道泵是非常常見的通用管道泵類產品,在實際生產生活當中經常會遇到。有時因為自己的泵房空間,或是出于安裝便利的考慮,在采購ISG立式管道泵之前,想先了解一下自己要采購的管道泵產品具體安裝尺寸、參數、重量等信息,這是非常有必要的。
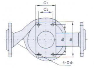
下面,我公司具體給大家列出ISG立式管道泵80-350的詳細性能參數:
流量:50M3/H;揚程:150M;功率:55KW;轉速:2900r/min;必須汽蝕余量:3米
外形尺寸等詳見下表:

|
型號 |
L
(mm) |
H
(mm) |
h
(mm) |
B1×C1
(mm) |
B2×C2
(mm) |
d 1
(mm) |
重量
(KG) |
|
ISG80-350 |
630 |
1235 |
165 |
280×200 |
220×160 |
18 |
530 |
ISG立式管道泵供輸送清水及物理化學性質類似于清水的其他液體之用,適用于工業和城市給排水、高層建筑增壓送水、園林噴灌、消防增壓、遠距離送水、采暖、浴室等冷暖水循環增壓及設備配套,使用溫度80℃以下。
ISG立式管道泵產品特點:
1.ISG
立式管道泵結構緊湊、體積小、外形美觀、安裝占地面積小。
2.安裝方便,進出口徑相同并在同一中心線上,無需改變管路。
3.運行平穩、噪音低、組件同心度高。
4.軸封采用硬質合金及碳化硅等耐磨材質機械密封,密封可靠、無泄漏。
5.維修方便,無需拆卸管道,只要拆下泵蓋螺母,取出電機及傳動組件即可進行檢修維護。
ISG立式管道泵使用注意事項:
1.訂貨時請注明具體技術參數、使用工況以及使用介質特性,以便能為您選擇最合適的產品。
2.
管道泵長期運行后,由于機械磨損,使機組噪音及振動增大時,應停機檢查,必要時需更換易 損件(機械密封與電機軸承),機組大修期一般為5000-8000小時。
3.90KW以上大功率管道泵,因穩定性關系,不推薦使用立式管道泵。
4.長期不間斷使用此立式管道泵,推薦配備備用水泵,并用控制柜定時切換,以延長管道泵使用壽命。
5.此管道泵嚴禁長期處于低揚程狀態下運行,否則易使電機過載而燒毀。
非常感謝您對大東海泵業無錫有限公司官方網站的訪問!以上是關于ISG立式
管道泵型號80-350外形尺寸|重量|參數的介紹,如您對此問題還想深一步了解,或有其他泵業產品、水泵選型、水泵型號、水泵價格的問題需要解答,請聯系本水泵廠家,隨時歡迎您的咨詢。謝謝